BM5系列马达

——

产品分类
— PRODUTC —
  • BM5(2Y)系列马达
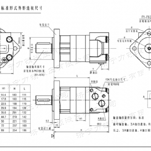
    1. BM5(2Y)系列马达BM5(2Y)系列马达BM5(2Y)系列马达BM5(2Y)系列马达BM5(2Y)系列马达BM5(2Y)系列马达BM5(2Y)系列马达BM5(2Y)系列马达BM5(2Y)系列马达BM5(2Y)系列马达BM5(2Y)系列马达BM5(2Y)系列马达BM5(2Y)系列马达BM5(2Y)系列马达BM5(2Y)系列马达BM5(2Y)系列马达BM5(2Y)系列马达BM5(2Y)系列马达BM5(2Y)系列马达BM5(2Y)系列马达BM5(2Y)系列马达BM5(2Y)系列马达BM5(2Y)系列马达

BM5(2Y)系列马达

地址:山东省济宁市任城区聚源电商小镇4号楼21号 

电话/微信:135-0638-8161(张经理)
电话/微信:135-8376-7126(李经理)
电话:0537-2635166
传真:0537-2635199   2310286


er

信息详情

也是bm5(2y)

bm5(2y)

也是是bm5(2y)


BM5(2Y)系列马达 2023-6-8 本文被阅读 3858次
上一条:BM3系列马达下一条:FRE系列车轮液压马达

同类产品